产品搜索
公司:最新HTH华体育app下载
电话:
手机:13120937397
传真:
邮箱:408823840@qq.com
网址:www.chefcomm.com
D671F46-10/16C气动衬氟对夹蝶阀
D671F46-10/16C气动衬氟对夹蝶阀概述
D671F46气动衬氟蝶阀采用带有球形密封表面的衬聚四氟乙烯包衬蝶板,该阀门操作轻便,严密的密封性能,超长的使用寿命;可作快速切断或调节流量之用。适用于要求可靠密封和 良好调节特性的场合。阀体采用分体式,阀轴两端的密封由蝶板与阀座 之间的旋转基面加氟橡胶来控制;保证阀轴不与腔内流体介质接触。广泛适用于各种不同类型工业管道中液体和气体(包括蒸 气)的输送,有严重腐蚀性介质的使用场合,如:硫酸、氢氟酸、磷酸、氯气、强碱、王水等具有强腐蚀性的介质。
D671F46-10/16C气动衬氟对夹蝶阀结构特点:
1、设计新颖、合理、结构独特,重量轻,启闭迅速。
2、操力矩小,操作方便,省力灵巧。
3、可以任何位置安装,维修方便。
4、密封件可以更换,密封性能可靠达到双向密封零泄漏。
5、密封材料耐老化、耐腐蚀,使用寿命长等特点。
D671F46-10/16C气动衬氟对夹蝶阀采用标准
设计标准:GB/T2238-1989
法兰连接尺寸:GB/T9113.1-2000;GB/T9115.1-2000;JB78
结构长度:GB/T12221-1989
压力试验:GB/T13927-1992;JB/T9092-1999
D671F46-10/16C气动衬氟对夹蝶阀执行机构
采用新型系列AT型气动执行器,有双作用式和单作用式(弹簧复位),齿轮传动,安全可靠;大口径阀门采用系列AW型气动执行器拔叉式传动,结构合理,输出扭矩大,有双作用式和单作用式。
1、齿轮式双活塞,输出力矩大,体积小。
2、气缸选用铝金材料,重量轻、外形美观。
3、可在顶部、底部安装手动操作机构。
4、齿条式连接可调节开启角度、额定流量。
5、执行器可选带电讯号反馈指示及各类附件以实现自动化操作。
6、IS05211标准连接为产品的安装更换提供了方便。
7、两端调的节螺钉可使标准产品在0°和90°有±4°的可调范围。确保与阀门同步精度。
D671F46-10/16C气动衬氟对夹蝶阀附件的选项
根据不同控制和要求可选择下列附件:
切断型附件:单电控电磁阀、双电控电磁阀、限位开关回讯器。
调节型附件:电气定位器、气动定位器、电气转换器。
气源处理附件:空气过滤减压阀、气源处理三联件。
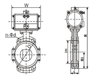
D671F46-10/16C气动衬氟对夹蝶阀结构图

D671F46-10/16C气动衬氟对夹蝶阀主要技术参数
公称通径 |
DN(mm) |
50~1200 |
||
公称压力 |
PN(MPa) |
0.6 |
1.0 |
1.6 |
试验压力 |
强度试验 |
0.9 |
1.5 |
2.4 |
密封试验 |
0.66 |
1.1 |
1.76 |
|
气密封试验 |
0.6 |
0.6 |
0.6 |
|
适用介质 |
空气、水、污水、蒸气、煤气、油品等。 |
|||
驱动形式 |
气传动 |
|||
D671F46-10/16C气动衬氟对夹蝶阀主要零件的材质
零件名称 |
材料 |
阀体 |
球墨铸钢、铸钢、不锈钢 |
蝶板 |
球墨铸铁、铸钢、不锈钢及特殊材料衬F46 |
密封圈 |
各种橡胶、聚四氟 |
阀杆 |
2Cr13、不锈钢 |
填料 |
O型圈、柔性石墨O |
D671F46-10/16C气动衬氟对夹蝶阀主要外形和连接尺寸
公称通经 |
L |
D |
D1 |
D2 |
f |
b |
Z-φd |
|
DN(mm) |
NPS(inch) |
PN1.0MPa |
||||||
40 |
3/2 |
33 |
145 |
110 |
85 |
3 |
18 |
4-φ18 |
50 |
2 |
43 |
160 |
125 |
100 |
3 |
20 |
4-φ18 |
65 |
5/2 |
46 |
180 |
145 |
120 |
3 |
20 |
4-φ18 |
80 |
3 |
49 |
195 |
160 |
135 |
3 |
22 |
4-φ18 |
100 |
4 |
56 |
215 |
180 |
155 |
3 |
22 |
8-φ16 |
125 |
5 |
64 |
245 |
210 |
185 |
3 |
24 |
8-φ18 |
150 |
6 |
70 |
280 |
240 |
210 |
3 |
24 |
8-φ23 |
200 |
8 |
71 |
335 |
295 |
265 |
3 |
26 |
8-φ23 |
250 |
10 |
76 |
390 |
350 |
320 |
3 |
28 |
12-φ23 |
300 |
12 |
83 |
440 |
400 |
368 |
4 |
28 |
12-φ23 |
350 |
14 |
92 |
500 |
460 |
428 |
4 |
30 |
16-φ23 |
400 |
16 |
102 |
565 |
515 |
482 |
4 |
32 |
16-φ25 |
450 |
18 |
114 |
615 |
565 |
532 |
4 |
32 |
20-φ25 |
500 |
20 |
127 |
670 |
620 |
585 |
4 |
34 |
20-φ25 |
600 |
24 |
154 |
780 |
725 |
685 |
5 |
36 |
20-φ30 |
700 |
28 |
165 |
895 |
840 |
800 |
5 |
40 |
24-φ30 |
800 |
32 |
190 |
1010 |
950 |
905 |
5 |
44 |
24-φ34 |
900 |
36 |
203 |
1110 |
1050 |
1005 |
5 |
46 |
28-φ34 |
1000 |
40 |
216 |
1220 |
1160 |
1115 |
5 |
50 |
28-φ34 |
1200 |
48 |
254 |
1450 |
1380 |
1325 |
5 |
56 |
32-φ41 |
PN1.6MPa |
||||||||
40 |
3/2 |
33 |
145 |
110 |
85 |
3 |
18 |
4-φ18 |
50 |
2 |
43 |
160 |
125 |
100 |
3 |
20 |
4-φ18 |
65 |
5/2 |
46 |
180 |
145 |
120 |
3 |
20 |
4-φ18 |
80 |
3 |
49 |
195 |
160 |
135 |
3 |
22 |
8-φ18 |
100 |
4 |
56 |
215 |
180 |
155 |
3 |
24 |
8-φ18 |
125 |
5 |
64 |
245 |
210 |
185 |
3 |
26 |
8-φ18 |
150 |
6 |
70 |
280 |
240 |
210 |
3 |
28 |
8-φ23 |
200 |
8 |
71 |
335 |
295 |
265 |
3 |
30 |
12-φ23 |
250 |
10 |
76 |
405 |
355 |
320 |
3 |
32 |
12-φ25 |
300 |
12 |
83 |
460 |
410 |
375 |
4 |
34 |
12-φ25 |
350 |
14 |
92 |
520 |
470 |
435 |
4 |
38 |
16-φ25 |
400 |
16 |
102 |
580 |
525 |
485 |
4 |
40 |
16-φ30 |
450 |
18 |
114 |
640 |
585 |
545 |
4 |
44 |
20-φ30 |
500 |
20 |
127 |
705 |
650 |
608 |
4 |
46 |
20-φ34 |
600 |
24 |
154 |
840 |
770 |
718 |
5 |
54 |
20-φ41 |
700 |
28 |
165 |
910 |
840 |
788 |
5 |
54 |
24-φ41 |
800 |
32 |
190 |
1020 |
950 |
898 |
5 |
54 |
24-φ41 |
900 |
36 |
203 |
1120 |
1050 |
998 |
5 |
54 |
28-φ41 |
1000 |
40 |
216 |
1255 |
1170 |
1110 |
5 |
60 |
28-φ48 |
订货须知:
一、①D671F46-10/16C气动衬氟对夹蝶阀产品名称与型号②D671F46-10/16C气动衬氟对夹蝶阀口径③是否带附件以便我们的为您正确选型。
二、若已经由设计单位选定D671F46-10/16C气动衬氟对夹蝶阀型号,请按D671F46-10/16C气动衬氟对夹蝶阀型号直接向我们标光阀门销售部订购。
三、当使用的场合非常重要或环境比较复杂时,请您尽量提供设计图纸和详细参数,由我们标光阀门专家为您审核把关。
尊敬的客户:
欢迎您访问我们的网站//www.chefcomm.com,首先感谢您对我们标光阀门的关注,如果您对我们的产品、服务有任何建议或者疑问的话,请立即联系我们!我们一定会尽心尽力为您提供优质的服务!!




