产品搜索
公司:最新HTH华体育app下载
电话:
手机:13120937397
传真:
邮箱:408823840@qq.com
网址:www.chefcomm.com
DY30BX-10/16Q缓开快闭止回阀
DY30BX-10/16Q缓开快闭止回阀概述:
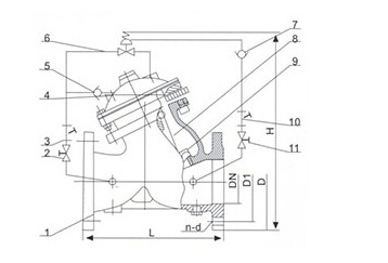
DY30BX缓开快闭止回阀它包括阀体内设阀座、阀杆、以及与阀体连接的上阀盖与下阀盖等零件组成。上阀盖与下阀盖之间为隔膜腔,隔膜腔内设隔膜,隔膜与中心轴连接,中心轴另一端连接阀门,阀门与阀座接触。水容器与上阀盖进水、出水控制孔连通,水容器与上阀盖出水为节流连通,水容器与上阀盖进水为单向连通。
DY30BX-10/16Q缓开快闭止回阀原理:
缓开快闭止回阀安装在系统管线上或泵出口端,正常运行中,进口端介质推动大阀盘上移,同时介质通过流量控制器进入中腔,使阀门速度打开,停止运行,出口端介质通过调节阀进入上腔,使驱动装置下移带动大、小阀盘向下运动,快速或缓慢关闭阀门,防止介质倒流。
DY30BX-10/16Q缓开快闭止回阀结构图:

DY30BX-10/16Q缓开快闭止回阀特点:
DY30BX缓开快闭止回阀采用双室驱动装置,Y型结构。介质在定向运动中具有半直线水流,过流量最大,压力损失小,启闭运行平稳、不产生压力波动等优点。双室驱动装置可作为一个整体拆卸,便于检查,膜片采用尼龙强化橡胶制成,合用寿命长,阀瓣密封件可拆卸,维修更方便
DY30BX-10/16Q缓开快闭止回阀用途:
能够调控启闭速度的止回阀,在水泵启动或停止运行时,可配合现场调节至最佳开启或关闭速度。可用于高层建筑,减小水锤现象,以达到安全及安静的启闭效果。
DY30BX-10/16Q缓开快闭止回阀材质:
零件名称 |
材质 |
阀体、阀盖 |
QT450 |
阀杆 |
铬不锈钢 |
阀瓣 |
QT450 |
O形圈 |
丁腈橡胶 |
弹簧0 |
不锈钢 |
DY30BX-10/16Q缓开快闭止回阀使用注意事项:
1、系统运行前应检查主阀上导阀、配管、管件是否严密完整无损
2、导阀及配管上的控制阀动作是否正常
3、系统运行一段时间后要进行管路维护
DY30BX缓开快闭止回阀安装示意图:

DY30BX缓开快闭止回阀调节方法:
1、打开截止阀
2、启泵观察阀门进口压力是否正常
3、停泵观察水锤是否过大,水泵是否倒转
4、如水锤过大则适当关小截止阀
5、如水泵倒转则适当开大截止阀
订货须知:
一、①DY30BX-10/16Q缓开快闭止回阀产品名称与型号②DY30BX-10/16Q缓开快闭止回阀口径③是否带附件以便我们的为您正确选型。
二、若已经由设计单位选定DY30BX-10/16Q缓开快闭止回阀型号,请按DY30BX-10/16Q缓开快闭止回阀型号直接向我们标光阀门销售部订购。
三、当使用的场合非常重要或环境比较复杂时,请您尽量提供设计图纸和详细参数,由我们标光阀门专家为您审核把关。
尊敬的客户:
欢迎您访问我们的网站//www.chefcomm.com,首先感谢您对我们标光阀门的关注,如果您对我们的产品、服务有任何建议或者疑问的话,请立即联系我们!我们一定会尽心尽力为您提供优质的服务!!!




