产品搜索
公司:最新HTH华体育app下载
电话:
手机:13120937397
传真:
邮箱:408823840@qq.com
网址:www.chefcomm.com
D341F46-10/16C衬氟涡轮法兰蝶阀
D341F46-10/16C衬氟涡轮法兰蝶阀概述
D341F46-10/16C法兰式衬四氟蝶阀采用带有球形密封表面的衬聚四氟乙烯包衬蝶板,操作轻便,严密的密封性能,超长的使用寿命;可作快速切断或调节流量之用。适用于要求可靠密封和良好调节特性的场合。
D341F46-10/16C衬氟涡轮法兰蝶阀工作原理:
D341F46-10/16C法兰式衬四氟蝶阀蝶板的回转中心位于阀体的中心线和蝶板的密封面截面上。阀座采用四氟塑料。关闭时蝶板的外圆密封面挤压四氟阀卒,使阀座产生弹性变形,从而形成弹性力作为密封比压保证衬氟蝶阀的密封。法兰式衬氟蝶阀密封结构采用聚四氟乙烯、使阀座在具有弹性的同时强度更好。同时将蝶板用聚四氟乙烯全包覆,使蝶板具有较强的抗腐蚀性能。
D341F46-10/16C衬氟涡轮法兰蝶阀结构特点:
1、设计新颖、合理、结构独特,重量轻,启闭迅速。
2、操力矩小,操作方便,省力灵巧。
3、可以任何位置安装,维修方便。
4、密封件可以更换,密封性能可靠达到双向密封零泄漏。
5、密封材料耐老化、耐腐蚀,使用寿命长等特点。
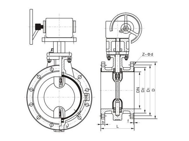
D341F46-10/16C衬氟涡轮法兰蝶阀结构图:

D341F46-10/16C衬氟涡轮法兰蝶阀适用范围:
衬氟法兰蝶阀作为一种用来实现管路系统通断及流量控制的部件,在石油、化工、冶金、水电等许多领域中得到极为广泛地应用。适用在-50℃~150℃的各种浓度的王水、硫酸、盐酸、氢氟酸和各种有机酸、强酸、强氧化剂,FEP法兰衬氟蝶阀适用于各种浓度的强碱有机溶剂以及其它腐蚀性气体、液体介质的管路上使用。
D341F46-10/16C衬氟涡轮法兰蝶阀主要零件材料:
型号 |
阀体 |
阀瓣 |
支架 |
密封挡圈 |
D341F46-10/16C |
WCB衬F46 |
WCB衬F46 |
WCB衬F46 |
聚四氟乙烯F4PTFE |
D341F46-10/16C衬氟涡轮法兰蝶阀标准
技术规范 |
|
设计标准 |
GB12238 |
结构长度 |
GB12221 |
法兰标准 |
JB/T79-78 |
GB9113.1-26 |
|
检验试验 |
GB/T13927 |
驱动方式 |
蜗轮、手动、电动、气动 |
D341F46-10/16C衬氟涡轮法兰蝶阀性能参数
公称通径 |
DN(mm) |
50~2000 |
||
公称压力 |
PN(MPa) |
0.6 |
1.0 |
1.6 |
试验压力 |
强度试验 |
0.9 |
1.5 |
2.4 |
密封试验 |
0.66 |
1.1 |
1.76 |
|
气密封试验 |
0.6 |
0.6 |
0.6 |
|
适用介质 |
空气、水、污水、蒸汽、煤气、油品等。 |
|||
驱动形式 |
手动、蜗杆蜗轮传动、气传动、电传动。 |
|||
D341F46-10/16C衬氟涡轮法兰蝶阀外型与连接尺寸
公称通径 |
PN1.0(MPa)主要外形尺寸和连接尺寸(mm) |
参考值 |
重量 |
|||||||
DN |
L |
D |
D1 |
D2 |
f |
b |
Z-Φd |
H1 |
H2 |
㎏ |
50 |
108 |
160 |
125 |
100 |
3 |
20 |
4-Φ18 |
280 |
88 |
12 |
65 |
112 |
180 |
145 |
120 |
3 |
20 |
4-Φ18 |
290 |
95 |
13 |
80 |
114 |
195 |
160 |
135 |
3 |
22 |
4-Φ18 |
310 |
105 |
14 |
100 |
127 |
215 |
180 |
155 |
3 |
22 |
8-Φ18 |
340 |
115 |
16 |
125 |
140 |
245 |
210 |
185 |
3 |
24 |
8-Φ18 |
355 |
125 |
18 |
150 |
140 |
280 |
240 |
210 |
4 |
24 |
8-Φ23 |
380 |
165 |
38 |
200 |
152 |
335 |
295 |
265 |
4 |
26 |
8-Φ23 |
430 |
250 |
74 |
250 |
165 |
390 |
350 |
320 |
4 |
28 |
12-Φ23 |
450 |
265 |
105 |
300 |
178 |
440 |
400 |
368 |
4 |
28 |
12-Φ23 |
480 |
310 |
142 |
350 |
190 |
500 |
460 |
428 |
4 |
30 |
16-Φ23 |
600 |
330 |
179 |
400 |
216 |
565 |
515 |
482 |
4 |
32 |
16-Φ26 |
630 |
340 |
220 |
450 |
222 |
615 |
565 |
532 |
4 |
32 |
20-Φ26 |
655 |
390 |
268 |
500 |
229 |
670 |
620 |
585 |
5 |
34 |
20-Φ26 |
680 |
400 |
378 |
600 |
267 |
780 |
725 |
685 |
5 |
36 |
20-Φ30 |
730 |
460 |
608 |
700 |
292 |
895 |
840 |
800 |
5 |
40 |
20-Φ30 |
790 |
490 |
1050 |
800 |
318 |
1010 |
950 |
905 |
5 |
44 |
24-Φ34 |
880 |
590 |
1320 |
900 |
330 |
1110 |
1050 |
1005 |
5 |
46 |
28-Φ34 |
930 |
630 |
1795 |
1000 |
410 |
1220 |
1160 |
1115 |
6 |
50 |
28-Φ34 |
1000 |
670 |
1900 |
订货须知:
一、①D341F46-10/16C衬氟涡轮法兰蝶阀产品名称与型号②D341F46-10/16C衬氟涡轮法兰蝶阀口径③是否带附件以便我们的为您正确选型。
二、若已经由设计单位选定D341F46-10/16C衬氟涡轮法兰蝶阀型号,请按D341F46-10/16C衬氟涡轮法兰蝶阀型号直接向我们标光阀门销售部订购。
三、当使用的场合非常重要或环境比较复杂时,请您尽量提供设计图纸和详细参数,由我们标光阀门专家为您审核把关。
尊敬的客户:
欢迎您访问我们的网站//www.chefcomm.com,首先感谢您对我们标光阀门的关注,如果您对我们的产品、服务有任何建议或者疑问的话,请立即联系我们!我们一定会尽心尽力为您提供优质的服务!!




