产品搜索
公司:最新HTH华体育app下载
电话:
手机:13120937397
传真:
邮箱:408823840@qq.com
网址:www.chefcomm.com
PQ340F-10/16/25P不锈钢蜗轮偏心半球阀
| 产品名称: | PQ340F-10/16/25P不锈钢蜗轮偏心半球阀 |
| 产品型号: | PQ340F-10/16/25P |
| 产品分类: | 双偏心半球阀 |
| 咨询电话: | 13120937397 |
| 报价 QQ: | 408823840 |
PQ340F-10/16/25P不锈钢蜗轮偏心半球阀产品概述:
不锈钢偏心半球阀由阀体、偏心球体、主(从)动轴、上(下)轴套、球冠、压圈、内(外)阀座等主要部件组成,其与管道的连接形式为法兰连接,它通过转动蜗轮机构,带动偏心曲轴旋转90°来实现阀门的启闭,起到截断介质的作用,该阀阀体及零部件采用不锈钢材质,特别适合酸碱腐蚀类介质的输送。本产品密封严禁,输送有害气体可达零泄露。
PQ340F-10/16/25P不锈钢蜗轮偏心半球阀主要零部件材料表:
序号 |
零件名称 |
材料名称 |
|
1 |
阀体/阀盖 |
304 |
316 |
2 |
球体 |
304表面特殊处理 |
316表面特殊处理 |
3 |
阀杆 |
304 |
316 |
4 |
阀座 |
304 |
316 |
5 |
填料 |
柔性石墨 |
柔性石墨 |
6 |
螺栓 |
0Cr18Ni9 |
0Cr18Ni9 |
7 |
螺母 |
0Cr18Ni9 |
0Cr18Ni9 |
PQ340F-10/16/25P不锈钢蜗轮偏心半球阀主要性能规范表:
公称压力PN(Mpa) |
0.6 |
1.0 |
1.6 |
2.5 |
4.0 |
6.4 |
常温最大工作压力(Mpa) |
0.6 |
1.0 |
1.6 |
2.5 |
4.0 |
6.4 |
壳体强度试验压力(Mpa) |
1.0 |
1.5 |
2.4 |
3.8 |
6.0 |
9.6 |
气密封试验压力(Mpa) |
0.6 |
0.6 |
0.6 |
0.6 |
0.6 |
0.6 |
高压密封试验压力(Mpa) |
0.7 |
1.1 |
1.76 |
2.75 |
4.4 |
7.1 |
渗漏率 |
<0.1×DNmm3/s (符合GB/T13927-2008标准) |
|||||
适用温度(℃) |
软密封:-46℃~280℃;硬密封:-46℃~545℃ |
|||||
适用介质 |
天然气、水蒸气、油品类、酸碱类、煤粉煤灰、废渣、泥浆、含颗粒状、含纤维等介质。 |
|||||
传动形式 |
蜗轮传动 |
|||||
PQ340F-10/16/25P不锈钢蜗轮偏心半球阀主要外形尺寸表:
公称压力 |
公称通径 DN(mm) |
主要尺寸(mm) |
||||||
L |
D |
D1 |
D2 |
b |
f |
Z-φd |
||
0.6-1.6 |
- |
参考偏心半球阀尺寸表或咨询我厂销售人员 |
||||||
2.5 |
40 |
125 |
145 |
110 |
85 |
18 |
3 |
4-18 |
50 |
140 |
160 |
125 |
100 |
20 |
3 |
4-18 |
|
65 |
190 |
180 |
145 |
120 |
22 |
3 |
8-18 |
|
80 |
178 |
195 |
160 |
135 |
22 |
3 |
8-18 |
|
100 |
200 |
230 |
190 |
160 |
24 |
3 |
8-23 |
|
125 |
254 |
270 |
220 |
188 |
28 |
3 |
8-25 |
|
150 |
267 |
300 |
250 |
218 |
30 |
3 |
8-25 |
|
200 |
292 |
360 |
310 |
278 |
34 |
3 |
12-25 |
|
250 |
330 |
425 |
370 |
332 |
36 |
3 |
12-30 |
|
300 |
390 |
485 |
430 |
390 |
40 |
4 |
16-30 |
|
350 |
430 |
550 |
490 |
448 |
44 |
4 |
16-34 |
|
400 |
530 |
610 |
550 |
505 |
48 |
4 |
16-34 |
|
450 |
660 |
600 |
555 |
- |
20-34 |
- |
- |
|
500 |
630 |
730 |
660 |
610 |
52 |
4 |
20-41 |
|
600 |
800 |
840 |
770 |
718 |
56 |
5 |
20-41 |
|
700 |
900 |
955 |
875 |
815 |
60 |
5 |
24-48 |
|
800 |
1000 |
1070 |
990 |
930 |
64 |
5 |
24-48 |
|
4.0 |
40 |
125 |
145 |
110 |
85 |
18 |
3 |
4-18 |
50 |
140 |
160 |
125 |
100 |
20 |
3 |
4-18 |
|
65 |
190 |
180 |
145 |
120 |
22 |
3 |
8-18 |
|
80 |
178 |
195 |
160 |
135 |
22 |
3 |
8-18 |
|
100 |
200 |
230 |
190 |
160 |
24 |
3 |
8-23 |
|
125 |
254 |
270 |
220 |
188 |
28 |
3 |
8-25 |
|
150 |
267 |
300 |
250 |
218 |
30 |
3 |
8-25 |
|
200 |
292 |
375 |
320 |
282 |
38 |
3 |
12-30 |
|
250 |
330 |
445 |
385 |
345 |
42 |
3 |
12-34 |
|
300 |
390 |
510 |
450 |
408 |
46 |
4 |
16-34 |
|
350 |
430 |
570 |
510 |
465 |
52 |
4 |
16-34 |
|
400 |
530 |
655 |
585 |
535 |
58 |
4 |
16-41 |
|
450 |
580 |
680 |
610 |
560 |
60 |
4 |
20-41 |
|
500 |
630 |
755 |
670 |
612 |
62 |
4 |
20-48 |
|
600 |
800 |
890 |
795 |
730 |
62 |
5 |
20-54 |
|
700 |
900 |
995 |
900 |
835 |
68 |
5 |
24-54 |
|
800 |
1000 |
1135 |
1030 |
960 |
76 |
5 |
24-58 |
|
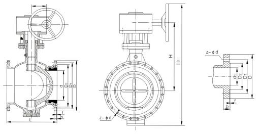
PQ340F-10/16/25P不锈钢蜗轮偏心半球阀主要结构图:

订货须知:
一、①PQ340F-10/16/25P不锈钢蜗轮偏心半球阀产品名称与型号②PQ340F-10/16/25P不锈钢蜗轮偏心半球阀口径③是否带附件以便我们的为您正确选型。
二、若已经由设计单位选定PQ340F-10/16/25P不锈钢蜗轮偏心半球阀型号,请按PQ340F-10/16/25P不锈钢蜗轮偏心半球阀型号直接向我们标光阀门销售部订购。
三、当使用的场合非常重要或环境比较复杂时,请您尽量提供设计图纸和详细参数,由我们标光阀门专家为您审核把关。
尊敬的客户:
欢迎您访问我们的网站//www.chefcomm.com,首先感谢您对我们标光阀门的关注,如果您对我们的产品、服务有任何建议或者疑问的话,请立即联系我们!我们一定会尽心尽力为您提供优质的服务!!!



