产品搜索
公司:最新HTH华体育app下载
电话:
手机:13120937397
传真:
邮箱:408823840@qq.com
网址:www.chefcomm.com
PQ40F-10/16/25Q球墨铸铁手动偏心半球阀
| 产品名称: | PQ40F-10/16/25Q球墨铸铁手动偏心半球阀 |
| 产品型号: | PQ40F-10/16/25Q |
| 产品分类: | 双偏心半球阀 |
| 咨询电话: | 13120937397 |
| 报价 QQ: | 408823840 |
PQ40F-10/16/25Q球墨铸铁手动偏心半球阀概述:
手动偏心半球阀是靠旋转阀链来使阀门畅通或闭塞。球阀开关轻便,体积小,可以做成很大口径,密封可靠,结构简单,维修方便,密封面与球面常在闭合状态,不易被介质冲蚀,在各行业得到广泛的应用。
标光阀门生产的这款PQ40F手动偏心半球阀属于侧装式半偏心球阀,侧装式结构紧凑、阀门质量轻,适用于对阀门安装空间有要求的场合。
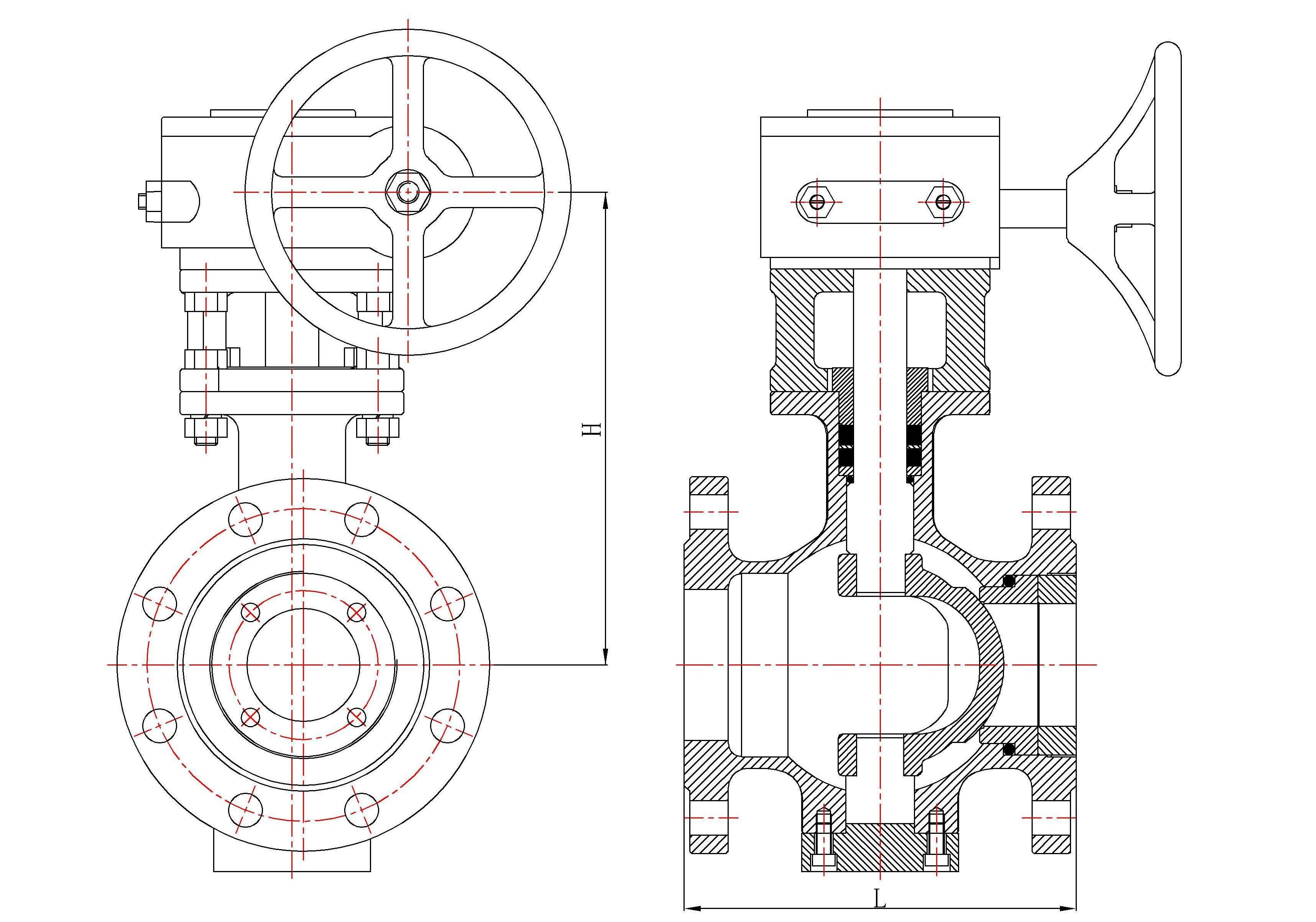
PQ40F-10/16/25Q球墨铸铁手动偏心半球阀结构图:

PQ40F-10/16/25Q球墨铸铁手动偏心半球阀适用范围:
双偏心半球阀广泛使用于污水处理、纸浆、石油、化工、城市给排水、城市采暖供热等要求严紧的场合,适用于电厂、水力除渣或气态输送管道的控制。
PQ40F-10/16/25Q球墨铸铁手动偏心半球阀结构特点:
(1)利用偏心减少摩擦,提高使用寿命。有利于用在一些工况条件比较恶劣的领域;
(2)流体阻力小,全通径的球阀基本没有流阻;
(3)开关无摩擦,密封不易磨损,启闭力矩小;
PQ40F-10/16/25Q球墨铸铁手动偏心半球阀主要零件材料:
型号 |
阀体 |
球 |
支架 |
阀杆 |
填料 |
PQ40F-10/16Q |
QT450 |
QT450、304、316 |
QT450、WCB |
WCB、2Cr13 |
PTFE、 柔性石墨 |
PQ40F-10/16/25Q球墨铸铁手动偏心半球阀主要技术参数:
型号 |
公称压力PN(MPa) |
壳体试验压力(MPa) |
密封试验压力(MPa) |
工作温度(℃ ) |
适用介质 |
PQ40F-10Q |
1.0 |
1.5 |
1.1 |
≤80 |
水、油品等 |
PQ40F-16Q |
1.6 |
2.4 |
1.76 |
≤80 |
PQ40F-10/16/25Q球墨铸铁手动偏心半球阀主要外形尺寸:
公称通径DN(mm) |
尺寸(mm) |
|
L |
H |
|
50 |
178 |
210 |
65 |
190 |
215 |
80 |
203 |
245 |
100 |
229 |
265 |
125 |
254 |
290 |
150 |
267 |
315 |
200 |
292 |
360 |
250 |
330 |
380 |
300 |
356 |
450 |
350 |
381 |
500 |
400 |
406 |
570 |
450 |
432 |
640 |
500 |
457 |
700 |
600 |
508 |
760 |
700 |
610 |
830 |
800 |
660 |
920 |
900 |
711 |
1050 |
1000 |
811 |
1185 |
1200 |
1015 |
1325 |
订货须知:
一、①PQ40F-10/16/25Q球墨铸铁手动偏心半球阀产品名称与型号②PQ40F-10/16/25Q球墨铸铁手动偏心半球阀口径③是否带附件以便我们的为您正确选型。
二、若已经由设计单位选定PQ40F-10/16/25Q球墨铸铁手动偏心半球阀型号,请按PQ40F-10/16/25Q球墨铸铁手动偏心半球阀型号直接向我们标光阀门销售部订购。
三、当使用的场合非常重要或环境比较复杂时,请您尽量提供设计图纸和详细参数,由我们标光阀门专家为您审核把关。
尊敬的客户:
欢迎您访问我们的网站//www.chefcomm.com,首先感谢您对我们标光阀门的关注,如果您对我们的产品、服务有任何建议或者疑问的话,请立即联系我们!我们一定会尽心尽力为您提供优质的服务!!!



