产品搜索
公司:最新HTH华体育app下载
电话:
手机:13120937397
传真:
邮箱:408823840@qq.com
网址:www.chefcomm.com
SCAR-10/16/25污水复合式排气阀
SCAR-10/16/25污水复合式排气阀概述:
SCAR复合式污水排气阀为圆桶式阀体,其内部主要有不锈钢浮球及塞头。本阀装设于泵浦出水口处或送配水管线中,用以大量排出管道中的集结之空气,以增进水管及抽水机使用效率,管内一旦出现负压时,此阀能迅速吸入空气,以确保管线不会因负压而被损坏,压力等级1.0MPa。
SCAR-10/16/25污水复合式排气阀作用原理:
当管内开始注水时,塞头停留在开位置,进行大量排气,当空气排完时,阀体内腔积水浮球被浮起,传动塞头至关闭位置,停止大量排气;当管内水正常输送时,如有少量空气聚集在阀内至相当程度,阀内水位下降,浮球随之下降,此时空气则由小孔排出。当帛水机停止,管内水流空时,或遇管内产生负压时,此时塞头开启,吸入空气确保管线安全。
注:排气阀在使用过程中压力不能低于0.02Mpa,如低于0.02Mpa,排气阀容易出现漏水。必须配一只阀门作为检修用。SCAR排气阀与CARX排气阀原理一样,只是结构略作改动,杠杆机构稍有改进(如图)这样把浮球控制在下部,使污物只能在阀体下部污物不会缠绕上部排气口上,不会影响密封性能。次产品是专用污水管道工程的排气阀。
SCAR-10/16/25污水复合式排气阀特点:
SCAR排气阀与CARX排气阀原理一样,只是结构略作改动,杠杆机构稍有改进,把浮球控制在下部,使污物只能在阀体下部物污不会缠绕上部排气口上,不会影响密封性能。
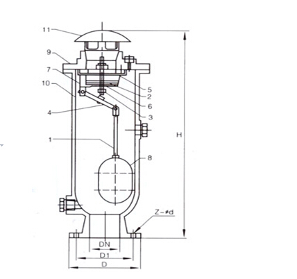
SCAR-10/16/25污水复合式排气阀结构图:

SCAR-10/16/25污水复合式排气阀零件名称材料:
序号 |
名称 |
材质 |
1 |
械杆B |
不锈钢、锡青铜 |
2 |
活塞 |
不锈钢、锡青铜 |
3 |
顶塞 |
铝青铜+橡胶 |
4 |
杠杆A |
不锈钢、锡青铅 |
5 |
垫圈环 |
合成橡胶 |
6 |
导套 |
不锈钢、铸黄铜 |
7 |
杠杆架 |
不锈钢、铸黄铜 |
8 |
浮球 |
不锈钢 |
9 |
阀盖 |
球墨铸铁 |
10 |
阀体 |
球墨铸铁 |
11 |
排气帽 |
球墨铸铁 |
SCAR-10/16/25污水复合式排气阀主要连接尺寸:
公称通径DN(mm) |
H |
D |
D1 |
Z |
Ф-d |
50 |
490 |
165 |
125 |
4 |
19 |
80 |
590 |
200 |
135 |
8 |
19 |
100 |
750 |
220 |
180 |
8 |
19 |
150 |
820 |
285 |
240 |
8 |
23 |
200 |
1000 |
340 |
295 |
8 |
23 |
250 |
1200 |
395 |
350 |
12 |
23 |
SCAR-10/16/25污水复合式排气阀安装示意图:

订货须知:
一、①SCAR-10/16/25污水复合式排气阀产品名称与型号②SCAR-10/16/25污水复合式排气阀口径③是否带附件以便我们的为您正确选型。
二、若已经由设计单位选定SCAR-10/16/25污水复合式排气阀型号,请按SCAR-10/16/25污水复合式排气阀型号直接向我们标光阀门销售部订购。
三、当使用的场合非常重要或环境比较复杂时,请您尽量提供设计图纸和详细参数,由我们标光阀门专家为您审核把关。
尊敬的客户:
欢迎您访问我们的网站//www.chefcomm.com,首先感谢您对我们标光阀门的关注,如果您对我们的产品、服务有任何建议或者疑问的话,请立即联系我们!我们一定会尽心尽力为您提供优质的服务!!!




