产品搜索
公司:最新HTH华体育app下载
电话:
手机:13120937397
传真:
邮箱:408823840@qq.com
网址:www.chefcomm.com
D373F-10/16/25C铸钢对夹偏心氟密封蝶阀
| 产品名称: | D373F-10/16/25C铸钢对夹偏心氟密封蝶阀 |
| 产品型号: | D373F-10/16/25C |
| 产品分类: | 对夹蝶阀 |
| 咨询电话: | 13120937397 |
| 报价 QQ: | 408823840 |
D373F-10/16/25C铸钢对夹偏心氟密封蝶阀产品概述:
D373F-10/16/25C铸钢对夹偏心氟密封蝶阀采用精密的J形弹性密封圈和三偏心多层次金属硬密封结构,被广泛用于介质温度≤425℃的治金、电力、石油化工、以及给排水和市政建设等工业管道上,作调节流量和载断流体使用。该阀采用三偏心结构,阀座与蝶板密封面均采用不同硬度和不锈钢制作,具有良好的耐腐蚀性,使用寿命长,本阀均有双向密封功能,产品符合国家GB/T13927-92阀门压力试验标准。
D373F-10/16/25C铸钢对夹偏心氟密封蝶阀特点:
1、本阀采用三偏心密封结构,阀座与蝶板几乎无磨损,具有越观越紧的密封功能。
2、密封圈选用不锈钢制作,具有金属硬密封和弹性密封的双重优点,无论在低温和高温的情况下,均具有优良的密封性能,具有耐腐蚀,使用寿命长等特点。
3、碟板密封面采用四氟。.
4、大规格蝶板采用绗架结构,强度高,过流面积大,流阻小。
5、本阀具有双向密封功能,安装时不受介质流向的限制,也不受空间位置的影响,可在任何方向安装。
6、驱动装置可以多工位(旋转90°或180°)安装,便于用户使用。
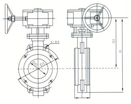
D373F-10/16/25C铸钢对夹偏心氟密封蝶阀结构图:

D373F-10/16/25C铸钢对夹偏心氟密封蝶阀零件材料:
零件名称 |
材料 |
阀体 |
WCB、合金钢、不锈钢、QT450-10 |
蝶板 |
WCB、合金钢、不锈钢、QT450-10 |
阀轴 |
2Cr13不锈钢、合金钢 |
密封圈 |
不锈钢圈 |
填料 |
柔性石墨 |
D373F-10/16/25C铸钢对夹偏心氟密封蝶阀性能参数:
公称通经DN(mm) |
50~2000 |
|||
公称药理PN(MPa) |
0.6 |
1.0 |
1.6 |
2.5 |
密封试验(MPa) |
0.66 |
1.1 |
1.76 |
2.75 |
强度试验(MPa) |
0.9 |
1.5 |
2.4 |
3.75 |
适用温度 |
碳钢:-29℃~425℃不锈钢:-40℃~650℃ |
|||
适用介质 |
水、空气、天然气、油品及弱腐蚀性流体 |
|||
泄漏率 |
符合GB/T13927-92标准 |
|||
驱动方式 |
蜗轮传动、电动、气动、液动 |
|||
D373F-10/16/25C铸钢对夹偏心氟密封蝶阀外形尺寸:
公称通经(DN) |
主要尺寸 |
法兰尺寸和螺栓规格 |
|||||||
1.0MPa |
1.6MPa |
2.5MPa |
|||||||
L |
H |
H1 |
D1 |
4-Ф-M |
D1 |
4-Ф-M |
D1 |
4-Ф-M |
|
50 |
43 |
350 |
112 |
125 |
Ф18 |
125 |
Ф18 |
125 |
Ф18 |
65 |
46 |
370 |
115 |
145 |
Ф18 |
145 |
Ф18 |
145 |
Ф18 |
80 |
49 |
380 |
120 |
160 |
Ф18 |
160 |
Ф18 |
160 |
Ф18 |
100 |
56 |
420 |
138 |
180 |
Ф18 |
180 |
Ф18 |
190 |
Ф23 |
125 |
64 |
460 |
164 |
210 |
Ф18 |
210 |
Ф18 |
220 |
Ф27 |
150 |
70 |
555 |
175 |
240 |
Ф23 |
240 |
Ф23 |
250 |
Ф27 |
200 |
71 |
605 |
208 |
295 |
M20 |
295 |
M20 |
310 |
M24 |
250 |
76 |
680 |
243 |
350 |
M20 |
355 |
M24 |
370 |
M27 |
300 |
83 |
800 |
283 |
400 |
M20 |
410 |
M24 |
430 |
M27 |
350 |
92 |
835 |
310 |
460 |
M20 |
470 |
M24 |
490 |
M30 |
400 |
102 |
915 |
340 |
515 |
M24 |
525 |
M27 |
550 |
M33 |
450 |
114 |
960 |
380 |
565 |
M24 |
585 |
M27 |
600 |
M33 |
500 |
127 |
1020 |
410 |
620 |
M24 |
650 |
M30 |
660 |
M33 |
600 |
154 |
1225 |
470 |
725 |
M27 |
770 |
M33 |
770 |
M36 |
700 |
165 |
1355 |
550 |
840 |
M27 |
840 |
M33 |
875 |
M39 |
800 |
190 |
1470 |
640 |
950 |
M30 |
950 |
M36 |
990 |
M45 |
900 |
203 |
1545 |
710 |
1050 |
M30 |
1050 |
M36 |
1090 |
M45 |
1000 |
216 |
1795 |
770 |
1160 |
M33 |
1170 |
M39 |
1210 |
M52 |
1200 |
254 |
1965 |
890 |
1380 |
M36 |
1390 |
M45 |
1420 |
M52 |
订货须知:
一、①D373F-10/16/25C铸钢对夹偏心氟密封蝶阀产品名称与型号②D373F-10/16/25C铸钢对夹偏心氟密封蝶阀口径③是否带附件以便我们的为您正确选型。
二、若已经由设计单位选定D373F-10/16/25C铸钢对夹偏心氟密封蝶阀型号,请按D373F-10/16/25C铸钢对夹偏心氟密封蝶阀型号直接向我们标光阀门销售部订购。
三、当使用的场合非常重要或环境比较复杂时,请您尽量提供设计图纸和详细参数,由我们标光阀门专家为您审核把关。
尊敬的客户:
欢迎您访问我们的网站//www.chefcomm.com,首先感谢您对我们标光阀门的关注,如果您对我们的产品、服务有任何建议或者疑问的话,请立即联系我们!我们一定会尽心尽力为您提供优质的服务!!!



