产品搜索
公司:最新HTH华体育app下载
电话:
手机:13120937397
传真:
邮箱:408823840@qq.com
网址:www.chefcomm.com
D81X-16Q沟槽手柄蝶阀
D81X-16Q沟槽手柄蝶阀概述
D81X沟槽手柄蝶阀也称手柄沟槽蝶阀和手柄卡箍蝶阀,既有良好密封性,又具备与管件连接所需求的快捷性,是多次实践设计,沟槽手柄蝶阀的手柄与安装在阀体上的流量盘相互配合,来控制流体的流量。阀体有碳钢和铸铁两种材质。
D81X-16Q沟槽手柄蝶阀工作原理
D81X蝶阀蝶板和信号输出元件实现同步运动,消除系统累计误差影响,准确显示阀门启闭状态。阀门处于全开流量的100%~80%范围内始终输出接通(开启)信号,绿色信号灯亮,小于全开流量80%时输出关断(关闭)信号,绿色信号灯灭,红色信号灯亮。
D81X手柄沟槽蝶阀是整体设计新颖独特,比例协调,实用性强,阀门两端用卡箍连接于流体管道中,与以往的法兰连接或对夹连接相比,大大节省了制造材料,遵循我国节能减排战略方针政策。
D81X-16Q沟槽手柄蝶阀特点:
手柄沟槽蝶阀具有安装快速、简易、安全、可靠、不受安装场地限制、便于管道与阀门的维修保养,有隔振隔音与一定的角度范围内有克服管道连接不同轴而产生仿差,解决温差所产生热胀冷缩。
1、沟槽式碟阀结构紧凑、体积小、重量轻、操作灵活、维修方便;
2、密封性能可靠、不受介质注射限制(双向密封);
3、过流面积大、流阻系数小、流通能力大;
4、碟板采用整体包胶抗老化抗辐射、经久耐用。
5、以碳钢为主要材质,阀体采用厚壁无缝管焊接而成,阀板为球墨铸铁,质量可靠,外观美观。
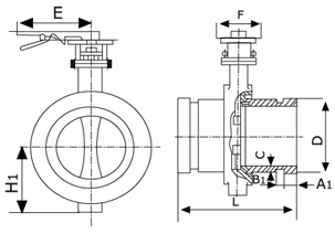
D81X-16Q沟槽手柄蝶阀结构图:

D81X-16Q沟槽手柄蝶阀用途
D81X手柄沟槽蝶阀广泛应用于给排水、消防、石油、化工、医药、钢铁等管路上作为截断或调节之用。
D81X-16Q沟槽手柄蝶阀主要零部件材料
序号 |
名称 |
国标标准 |
|
1 |
阀体 |
球铁 |
QT450-10 |
2 |
阀板 |
球铁 |
QT450-10 |
3 |
橡胶 |
EPDM |
|
4 |
上轴 |
不锈钢 |
1Cr13 |
5 |
下轴 |
不锈钢 |
1Cr13 |
6 |
O形圈 |
丁腈 |
|
7 |
定位齿盘 |
碳钢 |
45# |
8 |
手柄 |
玛钢 |
|
9 |
丝堵 |
碳钢 |
45# |
D81X-16Q沟槽手柄蝶阀外形连接尺寸
规格 |
尺寸 (mm) |
||||||
mm |
inch |
A |
B |
C |
D |
E |
F |
50 |
2 |
81 |
60 |
8 |
16 |
85 |
57 |
65 |
2.5 |
97 |
73 |
8 |
16 |
106 |
65 |
80 |
3 |
97 |
89 |
8 |
16 |
113 |
75 |
100 |
4 |
116 |
114 |
10 |
16 |
135 |
90 |
125 |
5 |
148 |
141 |
10 |
16 |
148 |
110 |
150 |
6 |
148 |
168 |
10 |
16 |
181 |
124 |
200 |
8 |
134 |
219 |
11 |
19 |
204 |
155 |
250 |
10 |
159 |
273 |
13 |
19 |
230 |
190 |
300 |
12 |
166 |
324 |
13 |
19 |
270 |
230 |
订货须知:
一、①D81X-16Q沟槽手柄蝶阀产品名称与型号②D81X-16Q沟槽手柄蝶阀口径③是否带附件以便我们的为您正确选型。
二、若已经由设计单位选定D81X-16Q沟槽手柄蝶阀型号,请按D81X-16Q沟槽手柄蝶阀型号直接向我们标光阀门销售部订购。
三、当使用的场合非常重要或环境比较复杂时,请您尽量提供设计图纸和详细参数,由我们标光阀门专家为您审核把关。
尊敬的客户:
欢迎您访问我们的网站//www.chefcomm.com,首先感谢您对我们标光阀门的关注,如果您对我们的产品、服务有任何建议或者疑问的话,请立即联系我们!我们一定会尽心尽力为您提供优质的服务!!!




