产品搜索
公司:最新HTH华体育app下载
电话:
手机:13120937397
传真:
邮箱:408823840@qq.com
网址:www.chefcomm.com
P74JA电动压差旁通阀
P74JA电动压差旁通阀产品概况:
P74JA压差控制器组合了两个具有高灵敏度的压力元件,二者一旦改变,即引起开关机构动作来控制设备比如马达驱动阀门。开关机构提供SPDT非快速作用(浮动)动作,因此共用的可移动触点,会接触二个固定触点之一,或者停留在二者之间(无接触)。
P74JA电动压差旁通阀产品规格:
1、单刀双闸,全封闭的Penn制开关。
2、喇叭压力涨管接于触感元件上令现场安装简易。
3、直读式标尺可迅速确定设定点。
4、不需移动外罩便能改变压差设定。
P74JA电动压差旁通阀产品应用:
1、P74JA压差控制器通常应用于水系统,用以控制水管与回水管间之压差。控制器的SPDT浮点动作接通触点后,令马达驱动器操纵阀门,把阀门安装在系统水泵附近的旁通管路中。当系统压差增大而超过控制器设定值时,阀门则进而开大,更多的水转向流经旁通阀,从而使系统压差减少,压差的减少导致阀门开始关小以及系统压差的增加。
2、P74JA亦适用于其它气体或液体压差的应用。
3、所有P74系列控制器设计仅作为运行控制使用。
4、如有操作失控会导致人员伤害或者财产损失的可能,安装者有责任增加设施(安全,限制控制),加以保护,或增设系统(报警,监控系统),在失控时发出警报。
P74JA电动压差旁通阀装置安装:
把控制器安装于平面表面或控制屏上的任何位置。利用箱子背面的孔洞用两个螺丝或螺栓上紧,或用NO271-51通用安装支架作安装之用。控制器应装得使波纹管的接头高于所用设备的液位之上。这可减少外界毛病积聚在波纹管内的可能性。
P74JA电动压差旁通阀一般说明:
1、确认控制器并非安装于会令电器规格过重的仪器上。对于控制器的最大电气规格及其触点动作见控制器外壳内侧所附标签。
2、在连接压力控制器前,应先把所有管路弄清洁排气。
3、避免急剧弯曲或折扭连接铜管。
4、预留长一点的连接铜管把那部分卷曲并稳定地安装以避免震动让连接铜管有松余,以避免太紧时会出现“琴弦”振,而导致连接铜管的折断。防止连接铜管与周围表面的磨擦或撞击,以免损坏接铜管。
P74JA电动压差旁通阀产品性能:
产品压差控制器P74JA-3;
刻度范围8至60PSL(55至414Kpa);
运行压差2PSL(14Kpa)回定的;
波纹管最大超压180PSL(1241Kpa);
波纹管最大允许压差120PSL(830Kpa);
电气规格1安培,24V交流,50/60Hz;
触头元件SPDT全封闭浮动式PENN开头;
材料盒子1.6 mm,冷轧钢;
外壳0.6 mm,冷轧钢;
涂层灰色烘漆;
安装安装于平面上或用一个通用安装托架;
电线连接用色标螺旋式接线终端;
重量1.1kg;
运行时环境温度最低-1℃;
最高60℃;
注意:此控制器不应当用于控制继电器启动器,以防产生路或震荡。
P74JA电动压差旁通阀电气接线:
注意:在接线之前应将电源切断防止可能触电或损坏设备。
所有的接线必须采用铜导线,并应依据当地法规及国家电气规范。所有马达驱动器接线使用AWG18号或更粗的导线。超过500尺长度的线路应当使用AWG14号导线。所有电缆接头应在接线盒中,使用经核准的非焊接头,或经焊接后把连接处包好好。注:使用终端丝组装(8-32×1/4接头)。使用其它替代螺丝进行连接,可能对正确连接产生问题。
P74JA电动压差旁通阀产品调试:
把螺丝刀插入转盘的缝隙中,并转动转盘,直至刻盘指针对准所需要的位置。向左旋转盘以增加微差设定值,或向右旋转,以减少微差设定值。
为了改变设定点,从控制器的正侧视方向向左或向右调节转盘(见图2)。
九、P74JA电动压差旁通阀校验过程
在离开该装置之前,至少应该观察完整的运行过程三次,以确定全部组成部件的功能正确无误。
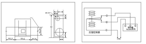
P74JA电动压差旁通阀外形尺寸:

当压差减少时,浮动触点杆会接通公共端子(1)与蓝色(3)端子当压差增加时,浮动触点杆会接通公共端子(1)与蓝色(5)端子
注:当压差减少时,马达沿顺时针方向转动,将阀门转向关闭位置。
当压差增加时,马达沿逆时针方向转动,将阀门转向开启位置。
P74JA电动压差旁通阀原理:
压差控制器DPC-1通过检测供/回水主管的压力差,与设定值相比较,通过控制电动两通阀的开度,使供水与回水间实现旁通,以保持所需的压力差值。
压力差增大时,红触点与黄触点接通,压力减少时,红触点与蓝触点接通,红触点可以停留在中间位置,与其他触点没有电气连接。

代号 |
型号 |
说明 |
DPC-1 |
P74J |
压差控制器 |
TV-1 |
参阅阀门配套表 |
电动两通阀 |
TX-1 |
TR40 |
变压器,220/24VAC ,40VA |
近年来,随着建筑行业的高速发展。兴起一大批新的设备。比如电动二通阀。在国内。进口牌子霍尼韦尔电动二通阀和西门子电动二通阀。但是他们价格都很贵。国产的质量和价格都可以的有,上海永兵阀门制造有限公司。他们家质量可以。
P74JA电动压差旁通阀作用:
本系统适用于中央空调的冷冻水/热水系统的压差旁通控制用途。
压差旁通的作用主要在于,维持冷冻水/热水系统能够在末端负荷较低的情况下,保证冷冻机/热交换器等设备的正常运转。
订货须知:
一、①P74JA电动压差旁通阀产品名称与型号②P74JA电动压差旁通阀
口径③是否带附件以便我们的为您正确选型。
二、若已经由设计单位选定P74JA电动压差旁通阀型号,请按P74JA电动压差旁通阀型号直接向我们标光阀门销售部订购。
三、当使用的场合非常重要或环境比较复杂时,请您尽量提供设计图纸和详细参数,由我们标光阀门专家为您审核把关。
尊敬的客户:
欢迎您访问我们的网站//www.chefcomm.com,首先感谢您对我们标光阀门的关注,如果您对我们的产品、服务有任何建议或者疑问的话,请立即联系我们!我们一定会尽心尽力为您提供优质的服务!




